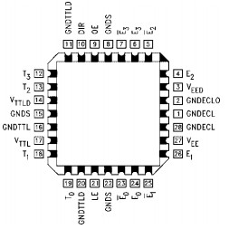
Bus Transceivers ECL/TTLTrans
SeekIC Buyer Protection PLUS - newly updated for 2013!
268 Transactions
All payment methods are secure and covered by SeekIC Buyer Protection PLUS.
| Logic Type : | ECL | Logic Family : | 100 | ||
| Number of Channels per Chip : | 4 | Input Level : | TTL | ||
| Output Level : | ECL | Output Type : | 3-State | ||
| High Level Output Current : | - 3 mA | Low Level Output Current : | 24 mA | ||
| Propagation Delay Time : | 5.1 ns | Supply Voltage - Max : | - 5.7 V, + 5.5 V | ||
| Supply Voltage - Min : | - 4.2 V, + 4.5 V | Maximum Operating Temperature : | + 85 C | ||
| Package / Case : | PLCC-28 | Packaging : | Rail |

The 100397 is a quad latched transceiver designed to convert TTL logic levels to differential F100K ECL logic levels and vice versa. This device was designed with the capability of driving a differential 25Ω ECL load with cutoff capability, and will sink a 64 mA TTL load. The 100397 is ideal for mixed technology applications utilizing either an ECL or TTL backplane.
The direction of translation is set by the direction control pin (DIR). The DIR pin on the 100397 accepts F100K ECL logic levels. An ECL LOW on DIR sets up the ECL pins as inputs and TTL pins as outputs. An ECL HIGH on DIR sets up the TTL pins as inputs and ECL pins as outputs.
A LOW on the output enable input pin (OE) holds the ECL output in a cut-off state and the TTL outputs at a high impedance level. A HIGH on the latch enable input (LE) latches the data at both inputs even though only one output is enabled at the time. A LOW on LE makes the latch transparent.
The cut-off state is designed to be more negative than a normal ECL LOW level. This allows the output emitterfollowers to turn off when the termination supply is −2.0V, presenting a high impedance to the data bus. This high impedance reduces termination power and prevents loss of low state noise margin when several loads share the bus.
The 100397 is designed with FAST TTL output buffers, featuring optimal DC drive and capable of quickly charging and discharging highly capacitive loads. All inputs have 50 KΩ pull-down resistors.