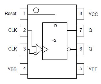
PinoutDescriptionThe MC10EL/100EL32 is an integrated ÷2 divider. The differential clock inputs and the VBB allow a differential, single-ended or AC coupled interface to the device. If used, the VBB output should be bypassed to ground with a 0.01mF capacitor. Also note that the VBB is designed to b...
100EL32: PinoutDescriptionThe MC10EL/100EL32 is an integrated ÷2 divider. The differential clock inputs and the VBB allow a differential, single-ended or AC coupled interface to the device. If used, the VBB ...
SeekIC Buyer Protection PLUS - newly updated for 2013!
268 Transactions
All payment methods are secure and covered by SeekIC Buyer Protection PLUS.

The MC10EL/100EL32 is an integrated ÷2 divider. The differential clock inputs and the VBB allow a differential, single-ended or AC coupled interface to the device. If used, the VBB output should be bypassed to ground with a 0.01mF capacitor. Also note that the VBB is designed to be used as an input bias on the EL32 only, the VBB output has limited current sink and source capability.
The reset pin is asynchronous and is asserted on the rising edge. Upon power-up, the internal flip-flop will attain a random state; the reset allows for the synchronization of multiple EL32's in a system.