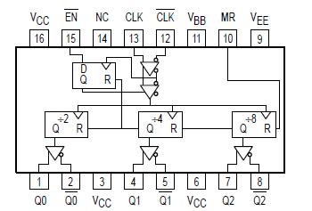
PinoutDescriptionThe MC10/100EL34 is a low skew ÷2, ÷4, ÷8 clock generation chip designed explicitly for low skew clock generation applications. The internal dividers are synchronous to each other, therefore, the common output edges are all precisely aligned. The device can be driven by either a d...
100EL34: PinoutDescriptionThe MC10/100EL34 is a low skew ÷2, ÷4, ÷8 clock generation chip designed explicitly for low skew clock generation applications. The internal dividers are synchronous to each other, ...
SeekIC Buyer Protection PLUS - newly updated for 2013!
268 Transactions
All payment methods are secure and covered by SeekIC Buyer Protection PLUS.

The MC10/100EL34 is a low skew ÷2, ÷4, ÷8 clock generation chip designed explicitly for low skew clock generation applications. The internal dividers are synchronous to each other, therefore, the common output edges are all precisely aligned. The device can be driven by either a differential or single-ended ECL or, if positive power supplies are used, PECL input signal. In addition, by using the VBB output, a sinusoidal source can be AC coupled into the device (see Interfacing section of the ECLinPSE Data Book DL140/D). If a single-ended input is to be used, the VBB output should be connected to the CLK input and bypassed to ground via a 0.01mF capacitor. The VBB output of 100EL34 is designed to act as the switching reference for the input of the EL34 under single-ended input conditions, as a result, this pin can only source/sink up to 0.5mA of current.
The common enable (EN) is synchronous so that the internal dividers will only be enabled/disabled when the internal clock is already in the LOW state. This avoids any chance of generating a runt clock pulse on the internal clock when the device is enabled/disabled as can happen with an asynchronous control. An internal runt pulse could lead to losing synchronization between the internal divider stages. The internal enable flip-flop is clocked on the falling edge of the input clock, therefore, all associated specification limits are referenced to the negative edge of the clock input.
Upon startup, the internal flip-flops will attain a random state; the master reset (MR) input of 100EL34 allows for the synchronization of the internal dividers, as well as multiple EL34s in a system.