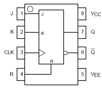
PinoutDescriptionThe MC10EL/100EL35 is a high speed JK flip-flop. The J/K data enters the master portion of the flip-flop when the clock is LOW and is transferred to the slave, and thus the outputs, upon a positive transition of the clock. The reset pin is asynchronous and is activated with a logi...
100EL35: PinoutDescriptionThe MC10EL/100EL35 is a high speed JK flip-flop. The J/K data enters the master portion of the flip-flop when the clock is LOW and is transferred to the slave, and thus the outputs,...
SeekIC Buyer Protection PLUS - newly updated for 2013!
268 Transactions
All payment methods are secure and covered by SeekIC Buyer Protection PLUS.

The MC10EL/100EL35 is a high speed JK flip-flop. The J/K data enters the master portion of the flip-flop when the clock is LOW and is transferred to the slave, and thus the outputs, upon a positive transition of the clock. The reset pin is asynchronous and is activated with a logic HIGH.