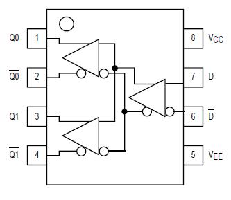
PinoutDescriptionThe MC10EL/100EL89 is a differential fanout gate specifically designed to drive coaxial cables. The device is especially useful in Digital Video Broadcasting applications; for this application, since the 100EL89 is polarity free, each output can be used as an idependent driver. Th...
100EL89: PinoutDescriptionThe MC10EL/100EL89 is a differential fanout gate specifically designed to drive coaxial cables. The device is especially useful in Digital Video Broadcasting applications; for this ...
SeekIC Buyer Protection PLUS - newly updated for 2013!
268 Transactions
All payment methods are secure and covered by SeekIC Buyer Protection PLUS.

The MC10EL/100EL89 is a differential fanout gate specifically designed to drive coaxial cables. The device is especially useful in Digital Video Broadcasting applications; for this application, since the 100EL89 is polarity free, each output can be used as an idependent driver. The driver boasts a gain of approximately 40 and produces output swings twice as large as a standard ECL output. When driving a coaxial cable, proper termination is required at both ends of the line to minimize signal loss. The 1.6V output swings allow for termination at both ends of the cable, while maintaining the required 800mV swing at the receiving end of the cable. Because of the larger output swings, the device cannot be terminated into the standard 2.0V. All of the DC parameters are tested with a 50W to 3.0V load. The driver accepts a standard differential ECL input and can run off of the Digital Video Broadcast standard 5.0V supply.