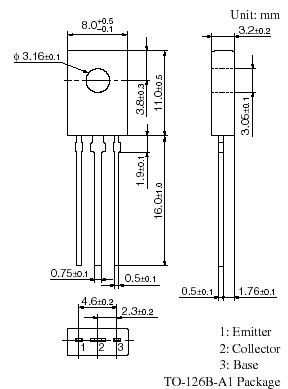
Features: • High collector-emitter voltage (Base open) VCEO• Optimum for the driver stage of low-frequency and 40 W to 100 W output amplifier• TO-126B package which requires no insulation plate for installation to the heat sinkPinoutSpecifications Parameter Symbol Rating...
2SC1567A: Features: • High collector-emitter voltage (Base open) VCEO• Optimum for the driver stage of low-frequency and 40 W to 100 W output amplifier• TO-126B package which requires no ins...
SeekIC Buyer Protection PLUS - newly updated for 2013!
268 Transactions
All payment methods are secure and covered by SeekIC Buyer Protection PLUS.

| Parameter | Symbol | Ratings | Unit | |
|
Collector-base voltage (Emitter open) |
2SC1567 | VCBO | 100 | V |
| 2SC1567A | 120 | |||
|
Collector-emitter voltage (Base open) |
2SC1567 | VCBO | 100 | V |
| 2SC1567A | 120 | |||
| Emitter-base voltage (Collector open) | VCBO | 5 | V | |
| Collector current | ICP | 0.5 | A | |
| Peak collector current | IC | 1 | A | |
| Collector power dissipation | PC | 1.2 | W | |
| Junction temperature | Tj | 150 | °C | |
| Storage temperature | Tstg | −55 to +150 | °C | |