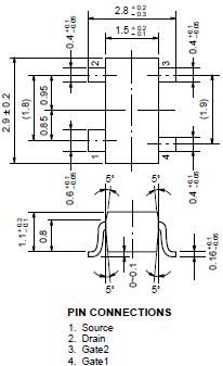
Features: • Low VDD Use : (VDS = 3.5 V)• Driving Battery• Low Noise Figure : NF1 = 2.0 dB TYP. (f = 470 MHz) NF2 = 0.8 dB TYP. (f = 55 MHz)• High Power Gain : GPS = 19.0 dB TYP. (f = 470 MHz)• Suitable for use as RF amplifier in CATV tuner.• Automatically Mounti...
3SK252: Features: • Low VDD Use : (VDS = 3.5 V)• Driving Battery• Low Noise Figure : NF1 = 2.0 dB TYP. (f = 470 MHz) NF2 = 0.8 dB TYP. (f = 55 MHz)• High Power Gain : GPS = 19.0 dB T...
SeekIC Buyer Protection PLUS - newly updated for 2013!
268 Transactions
All payment methods are secure and covered by SeekIC Buyer Protection PLUS.

Drain to Source Voltage VDSX 18 V
Gate1 to Source Voltage VG1S ±8*1 V
Gate2 to Source Voltage VG2S ±8*1 V
Gate1 to Drain Voltage VG1D 18 V
Gate2 to Drain Voltage VG2D 18 V
Drain Current ID 25 mA
Total Power Dissipation PD 200 mW
Channel Temperature Tch 125 °C
Storage Temperature Tstg 55 to +125 °C
*1: RL ³ 10 k
*2: Free air