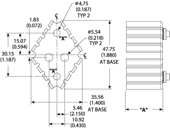
Heat Sinks TO-3 DIAM SHP BSKT 47.75 X 19.05
501403B00100G: Heat Sinks TO-3 DIAM SHP BSKT 47.75 X 19.05
SeekIC Buyer Protection PLUS - newly updated for 2013!
268 Transactions
All payment methods are secure and covered by SeekIC Buyer Protection PLUS.
| Product : | Heatsinks | Mounting Style : | SMD/SMT | ||
| Heatsink Material : | Aluminum | Thermal Resistance : | 10 C / W | ||
| Length : | 47.75 mm | Width : | 35.56 mm | ||
| Height : | 19.05 mm | Designed for : | TO-3 |

| Part # | Description | Finish | Board Mounting |
| 501403B00100G | Low cost diamond shaped basket heat sink with solderable mounts | Black Anodize | N/A |
| This non-electronic component is functionally unaffected by the normal soldering or reflow processes used for semiconductor circuits. The heat resistance time or heat resistance temperature is not applicable for the component. | |||
| Thermal Resistance | 10.00 |