Heat Sinks TO-220 VERT 13.4 TR EXTRUDED W/FINS
531002B00000G: Heat Sinks TO-220 VERT 13.4 TR EXTRUDED W/FINS
SeekIC Buyer Protection PLUS - newly updated for 2013!
268 Transactions
All payment methods are secure and covered by SeekIC Buyer Protection PLUS.
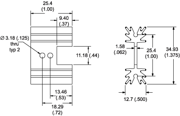
| Product : | Heatsinks | Mounting Style : | Through Hole |
| Heatsink Material : | Aluminum | Fin Style : | Radial |
| Thermal Resistance : | 13.7 C / W | Length : | 12.7 mm |
| Width : | 34.93 mm | Height : | 25.94 mm |
| Designed for : | TO-220, TO-202 |

| Part # | Description | Finish | Board Mounting |
| 531002B00000G | Extruded heat sink with radial fins and notched base | Black Anodize | View Hole Dimensions |
| Thermal Resistance | 13.40 |
| Technical/Catalog Information | 531002B00000G |
| Vendor | Aavid Thermalloy |
| Category | Fans, Thermal Management |
| Attachment Method | Bolt On |
| Height | 1" (25.4mm) |
| Material | Aluminum |
| Package Cooled | TO-220, TO-202 |
| Power Dissipation @ Temperature Rise | 3W @ 40°C |
| Thermal Resistance @ Forced Air Flow | 4°C/W @ 400 LFM |
| Outline | 34.92mm x 12.70mm |
| Thermal Resistance @ Natural | 13.4°C/W |
| Lead Free Status | Lead Free |
| RoHS Status | RoHS Compliant |
| Other Names | 531002B00000G 531002B00000G HS231 ND HS231ND HS231 |