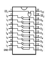
Features: ·TRI-STATE outputs drive bus lines·Inputs and outputs opposite side of package, allowing easier interface to microprocessorsPinoutSpecificationsStorage Temperature -65°C to +150°CAmbient Temperature under Bias -55°C to +125°CJunction Temperature under Bias -55°C to +175°CPlastic -55°C to...
54F/74F541: Features: ·TRI-STATE outputs drive bus lines·Inputs and outputs opposite side of package, allowing easier interface to microprocessorsPinoutSpecificationsStorage Temperature -65°C to +150°CAmbient T...
SeekIC Buyer Protection PLUS - newly updated for 2013!
268 Transactions
All payment methods are secure and covered by SeekIC Buyer Protection PLUS.
Features: · 6-bit high-speed parallel register·Positive edge-triggered D-type inputs·Fully buffere...
Features: ·Edge triggered D-type inputs·Buffered positive edge-triggered clock· Buffered common en...

The 54F/74F541 are similar in function to the 'F240 and 'F244 respectively, except that the inputs and outputs are on opposite sides of the package (see Connection Diagrams). This pinout arrangement of 54F/74F541 makes these devices especially useful as output ports for microprocessors, allowing ease of layout and greater PC board density.