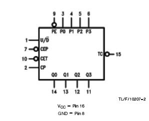
PinoutSpecificationsSupplyVoltage ...................................................................7VInputVoltage ...................................................................55VOperating Free Air Temperature Range 54LS.......................................................... -55to +125St...
54LS168: PinoutSpecificationsSupplyVoltage ...................................................................7VInputVoltage ...................................................................55VOperating Fr...
SeekIC Buyer Protection PLUS - newly updated for 2013!
268 Transactions
All payment methods are secure and covered by SeekIC Buyer Protection PLUS.


