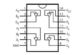
Features: Non-inverting buffersOutput sink capability of 64 mA, source capability of 32 mGuaranteed latchup protectionHigh impedance glitch free bus loading during entire power up and power down cycleNondestructive hot insertion capability Disable time less than enable time to avoid bus contention...
74ABT126: Features: Non-inverting buffersOutput sink capability of 64 mA, source capability of 32 mGuaranteed latchup protectionHigh impedance glitch free bus loading during entire power up and power down cyc...
SeekIC Buyer Protection PLUS - newly updated for 2013!
268 Transactions
All payment methods are secure and covered by SeekIC Buyer Protection PLUS.

