Gates (AND / NAND / OR / NOR) Quad 2-Input OR Gate
74AC86MTC: Gates (AND / NAND / OR / NOR) Quad 2-Input OR Gate
SeekIC Buyer Protection PLUS - newly updated for 2013!
268 Transactions
All payment methods are secure and covered by SeekIC Buyer Protection PLUS.
| Product : | XOR | Logic Family : | 74AC |
| Number of Gates : | 4 | Number of Lines (Input / Output) : | 2 / 1 |
| High Level Output Current : | - 24 mA | Low Level Output Current : | 24 mA |
| Propagation Delay Time : | 11.5 ns | Supply Voltage - Max : | 6 V |
| Supply Voltage - Min : | 2 V | Maximum Operating Temperature : | + 85 C |
| Mounting Style : | SMD/SMT | Package / Case : | TSSOP-14 |
| Packaging : | Tube |

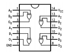
The 74AC86MTC contains four, 2-input exclusive-OR gates.
The 74AC86MTC contains four, 2-input exclusive-OR gates.Features of 74AC86MTC are:(1)ICC reduced by 50%;(2)outputs source/sink 24 mA.
The absolute maximum ratings and DC elecctrical characteristics of the 74AC86MTC can be summarized as:(1):supply voltage is 0.5V to +7.0V;(2):DC input diode current is-20mA when VI is-0.5V,DC input diode current is+20mA when VI is VCC+0.5V;(3):DC input voltage is -0.5V to VCC + 0.5V;(4):DC output diode current is-20mA when VO is-0.5V,DC ou tput diode current is+20mA when VO isVCC+0.5V;(5):DC output voltage is-0.5V to VCC + 0.5V;(6):DC output source or sink current is±50 mA;(7):DC VCC or ground current is ±50 mA per output pin ;(8):storage temperature ranges from-65°C to +150°C;(9):junction temperature is 140.DC elecctrical characteristics:(1):minimum high level input voltage is 3.0V when VOUT is 0.1V or VCC-0.1V;(2):maximum low level input voltage is 3.0V when VOUT is 0.1V or VCC-0.1V;(3):maximum high level output voltage of the 74AC86MTC is 3.0V when IOUT is-50uA;(4):maximum input leakage current is 5.5uA when V1 is Vcc;(5):maximum quiescent supply current is 5.5uA when VIN is VCC,etc.
| Technical/Catalog Information | 74AC86MTC |
| Vendor | Fairchild Semiconductor |
| Category | Integrated Circuits (ICs) |
| Number of Circuits | 4 - Quad |
| Package / Case | 14-TSSOP |
| Logic Type | XOR (Exclusive OR) |
| Packaging | Tube |
| Mounting Type | Surface Mount |
| Number of Inputs | 2 |
| Current - Output High, Low | 24mA, 24mA |
| Supply Voltage | 2 V ~ 6 V |
| Operating Temperature | -40°C ~ 85°C |
| Voltage - Supply | 2 V ~ 6 V |
| Drawing Number | * |
| Lead Free Status | Lead Free |
| RoHS Status | RoHS Compliant |
| Other Names | 74AC86MTC 74AC86MTC |