Features: ` HIGH SPEED: tPD = 6 ns (TYP.) atVCC = 5V` LOWPOWER DISSIPATION: ICC = 8 A (MAX.) at TA =25 oC` COMPATIBLEWITH TTLOUTPUTS VIH =2V(MIN), VIL = 0.8V (MAX)` 50 TRANSMISSIONLINE DRIVING CAPABILITY` SYMMETRICAL OUTPUT IMPEDANCE: |IOH| = IOL =24mA (MIN)` BALANCED PROPAGATIONDELAYS: tPLH= tPHL...
74ACT373: Features: ` HIGH SPEED: tPD = 6 ns (TYP.) atVCC = 5V` LOWPOWER DISSIPATION: ICC = 8 A (MAX.) at TA =25 oC` COMPATIBLEWITH TTLOUTPUTS VIH =2V(MIN), VIL = 0.8V (MAX)` 50 TRANSMISSIONLINE DRIVING CAPAB...
SeekIC Buyer Protection PLUS - newly updated for 2013!
268 Transactions
All payment methods are secure and covered by SeekIC Buyer Protection PLUS.

| Symbol | Parameter |
Value |
Unit |
| VCC | Supply Voltage |
-0.5 to +7 |
V |
| VI | DC Input Voltage |
-0.5 to VCC + 0.5 |
V |
| VO | DC Output Voltage |
-0.5 to VCC + 0.5 |
V |
| IIK | DC Input Diode Current |
± 20 |
mA |
| IOK | DC Output Diode Current |
± 20 |
mA |
| IO | DC Output Current |
± 20 |
mA |
| ICC or IGND | DC VCC or Ground Current |
± 400 |
mA |
| Tstg | Storage Temperature |
-65 to +150 |
|
| TL | Lead Temperature (10 sec) |
300 |
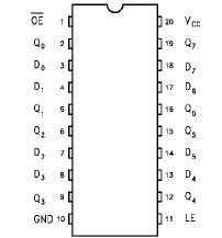
The 74ACT373 is an advanced high-speed CMOS OCTAL D-TYPE LATCH with 3 STATE OUTPUT NON INVERTING fabricated with sub-micron silicon gate and double-layer metal wiring C2MOS technology. It is ideal for low power applications mantaining high speed operation similar to equivalent Bipolar Schottky TTL.
These 8 bit D-Type latch are controlled by a latch enable input (LE) and an output enable input (OE).
While the LE inputs of the 74ACT373 is held at a high level, the Q outputs will follow the data input precisely or inversely. When the LE is taken low, the Q outputs will be latched precisely or inversely at the logic level of D input data. While the (OE) input is low, the 8 outputs will be in a normal logic state (high or low logic level) and while high level the outputs will be in a high impedance state. This device is designed to interface directly High Speed CMOS systems with TTL and NMOS components.
All inputs and outputs of the 74ACT373 are equipped with protection circuits against static discharge, giving them 2KV ESD immunity and transient excess voltage.