Buffers & Line Drivers Octal Buf/Line Drv
74ACT541MTC: Buffers & Line Drivers Octal Buf/Line Drv
SeekIC Buyer Protection PLUS - newly updated for 2013!
268 Transactions
All payment methods are secure and covered by SeekIC Buyer Protection PLUS.
| Number of Input Lines : | 8 | Number of Output Lines : | 3 |
| Polarity : | Non-Inverting | Supply Voltage - Max : | 5.5 V |
| Supply Voltage - Min : | 4.5 V | Maximum Operating Temperature : | + 85 C |
| Mounting Style : | SMD/SMT | Package / Case : | TSSOP-20 |
| Packaging : | Tube |

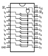
The 74ACT541MTC is one member of the 74ACT541 series.The 74ACT541MTC is octal buffer/line driver designed to be employed as memory and address driver,clock driver and bus oriented transmitter/receiver.These devices are similar in function to the 74ACTC244 while providing flow-through architecture(inputs on opposite side from outputs). This pinout arrangement makes these devices especially useful as an output port for microprocessors, allowing ease of layout and greater PC board density.
Features of the 74ACT541MTC are:(1)Icc and Ioz reduced by 50%; (2)3-STATE outputs ; (3)inputs and outputs opposite side of package, allowing easier interface to microprocessors ; (4)output source/sink 24 mA; (5)74ACT541 has TTL-compatible inputs.A critical component in any component of a life support device or system whose failure to perform can be reasonably expected to cause the failure of the life support device or system, or to affect its safety or effectiveness.
The absolute maximum ratings of the 74ACT541MTC can be summarized as:(1)supply voltage:-0.5 to 7.0V;(2)storage temperature:-65 to 150;(3)DC output source or sink current:±50mA;(4)junction temperature:140.Absolute maximum ratings are those values beyond which damage to the device may occur. The databook specifications should be met,without exception, to ensure that the system design is reliable over its power supply, temperature, and output/input loading variables.Fairchild does not recommend operation of FACT circuits outside databook specifications.Life support devices or systems are devices or systems which, (a) are intended for surgical implant into the body, or (b) support or sustain life, and (c) whose failure to perform when properly used in accordance with instructions for use provided in the labeling, can be reasonably expected to result in a significant injury to the user.
At present there is not too much information about this model.If you are willing to find more about 74ACT541MTC, please pay attention to our web! We will promptly update the relevant information.
The 74ACT541MTC are octal buffer/line drivers designed to be employed as memory and address drivers, clock drivers and bus oriented transmitter/receivers.
These devices are similar in function to the 74ACT541MTC while providing flow-through architecture (inputs on opposite side from outputs). This pinout arrangement makes these devices especially useful as an output port for microprocessors, allowing ease of layout and greater PC board density.
| Technical/Catalog Information | 74ACT541MTC |
| Vendor | Fairchild Optoelectronics Group |
| Category | Integrated Circuits (ICs) |
| Logic Type | Line Driver, Non-Inverting |
| Package / Case | 20-TSSOP |
| Packaging | Tube |
| Mounting Type | Surface Mount |
| Number of Bits per Element | 8 |
| Number of Elements | 1 - Single |
| Operating Temperature | -40°C ~ 85°C |
| Voltage - Supply | 4.5 V ~ 5.5 V |
| Current - Output High, Low | 24mA, 24mA |
| Lead Free Status | Lead Free |
| RoHS Status | RoHS Compliant |
| Other Names | 74ACT541MTC 74ACT541MTC |