Features: · ICC and IOZ reduced by 50%· Guaranteed simultaneous switching noise level and dynamic threshold performance· Guaranteed pin-to-pin skew AC performance· Improved latch-up immunity· 3-STATE outputs drive bus lines or buffer memory address registers· Outputs source/sink 24 mA· Faster prop...
74ACTQ245: Features: · ICC and IOZ reduced by 50%· Guaranteed simultaneous switching noise level and dynamic threshold performance· Guaranteed pin-to-pin skew AC performance· Improved latch-up immunity· 3-STAT...
SeekIC Buyer Protection PLUS - newly updated for 2013!
268 Transactions
All payment methods are secure and covered by SeekIC Buyer Protection PLUS.

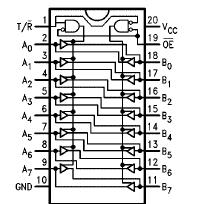
The 74ACTQ245 contains eight non-inverting bidirectional buffers with 3-STATE outputs and is intended for busoriented applications. Current sinking capability is 24 mA at both the A and B ports. The Transmit/Receive (T/R) input of the 74ACTQ245 determines the direction of data flow through the bidirectional transceiver. Transmit (active-HIGH) enables data from A Ports to B Ports; Receive (active-LOW) enables data from B Ports to A Ports. The Output Enable input,when HIGH, disables both A and B ports by placing them in a HIGH Z condition.
The ACQ/ACTQ utilizes Fairchild Quiet SeriesTM technology to guarantee quiet output switching and improve dynamic threshold performance. FACT Quiet SeriesTM features GTOTM output control and undershoot corrector in addition to a split ground bus for superior performance.