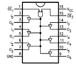
Features: ·3-STATE buffer outputs·Outputs sink 64 mA·Bus-orientedPinoutSpecificationsStorage Temperature. . . . . . . . . . . . . . . . . . . . . . -65°C to +150°CAmbient Temperature under Bias. . . . . . . . . . . . .-55°C to +125°CJunction Temperature under Bias. . . . . . . . . . . . .-55°C to ...
74F365: Features: ·3-STATE buffer outputs·Outputs sink 64 mA·Bus-orientedPinoutSpecificationsStorage Temperature. . . . . . . . . . . . . . . . . . . . . . -65°C to +150°CAmbient Temperature under Bias. . ....
SeekIC Buyer Protection PLUS - newly updated for 2013!
268 Transactions
All payment methods are secure and covered by SeekIC Buyer Protection PLUS.
