Features: 5V tolerant inputs2.3V3.6V VCC specifications provided 7.5 ns tPD max (VCC = 3.3V), 10 µA ICC max Power down high impedance inputs and outputs ±24 mA output drive (VCC = 3.0V) Implements patented noise/EMI reduction circuitryLatch-up performance exceeds 500 mAESD performance: Human...
74LCX112: Features: 5V tolerant inputs2.3V3.6V VCC specifications provided 7.5 ns tPD max (VCC = 3.3V), 10 µA ICC max Power down high impedance inputs and outputs ±24 mA output drive (VCC = 3.0V) Implem...
SeekIC Buyer Protection PLUS - newly updated for 2013!
268 Transactions
All payment methods are secure and covered by SeekIC Buyer Protection PLUS.
US $.23 - .39 / Piece
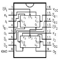
Gates (AND / NAND / OR / NOR) Quad 2-Input NAND Gate with 5V Tol Inp


| Symbol | Parameter | Value | Conditions | Units |
| VCC | Supply Voltage | −0.5 to +7.0 | V | |
| VI | DC Input Voltage | −0.5 to +7.0 | V | |
| VO | DC Output Voltage | −0.5 to VCC + 0.5 | Output in HIGH or LOW State (Note2) | V |
| IIK | DC Input Diode Current | −50 | VI < GND | mA |
| IOK | DC Output Diode Current | −50 +50 |
VO < GND VO > VCC |
mA |
| IO | DC Output Source/Sink Current | ±50 | mA | |
| ICC | DC Supply Current per Supply Pin | ±100 | mA | |
| IGND | DC Ground Current per Ground Pin | ±100 | mA | |
| TSTG | Storage Temperature | −65 to +150 | °C |