Features: ` 5V TOLERANT INPUTS` HIGH SPEED: tPD = 7.5ns (MAX.) at VCC = 3V` LOW POWER DISSIPATION:ICC = 1A (MAX.) at TA = 25°C` POWER DOWN PROTECTION ON INPUTS AND OUTPUTS` SYMMETRICAL OUTPUT IMPEDANCE:|IOH| = IOL = 24mA (MIN) at VCC = 3V` BALANCED PROPAGATION DELAYS:tPLH = tPHL` OPERATING VOLTAGE...
74LX1G14: Features: ` 5V TOLERANT INPUTS` HIGH SPEED: tPD = 7.5ns (MAX.) at VCC = 3V` LOW POWER DISSIPATION:ICC = 1A (MAX.) at TA = 25°C` POWER DOWN PROTECTION ON INPUTS AND OUTPUTS` SYMMETRICAL OUTPUT IMPEDA...
SeekIC Buyer Protection PLUS - newly updated for 2013!
268 Transactions
All payment methods are secure and covered by SeekIC Buyer Protection PLUS.

|
Symbol |
Parameter² |
Value |
Unit |
|
VCC |
Supply Voltage |
-0.5 to +7.0 |
V |
|
VI |
DC Input Voltage |
-0.5 to +7.0 |
V |
|
VO |
DC Output Voltage (VCC = 0V) |
-0.5 to +7.0 |
V |
|
VO |
DC Output Voltage (High or Low State) (note 1) |
-0.5 to VCC + 0.5 |
V |
|
IIK |
DC Input Diode Current |
-50 |
mA |
|
IOK |
DC Output Diode Current (note 2) |
-50 |
mA |
|
IO |
DC Output Current |
± 50 |
mA |
|
ICC or IGND |
DC VCC or Ground Current per Supply Pin |
± 50 |
mA |
|
Tstg |
Storage Temperature |
-65 to +150 |
|
|
TL |
Lead Temperature (10 sec) |
300 |
Absolute Maximum Ratings are those values beyond which damage to the device may occur. Functional operation under these conditions is not implied.
1) Truth Table guaranteed: 1.2V to 3.6V
2) VIN from 0.8V to 2V at VCC = 3.0V
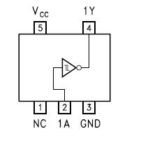
The 74LX1G14 is a low voltage CMOS SINGLE SCHMITT INVERTER fabricated with sub-micron silicon gate and double-layer metal wiring C2MOS technology.It is ideal for 1.65 to 5.5 VCC operations and low power and low noise applications. The internal circuit is composed of 3 stages including buffer output, which provide high noise immunity and stable output.
Power down protection of the 74LX1G14 is provided on input and output and 0 to 7V can be accepted on inputs with no regard to the supply voltage. It can be interfaced to 5V signal environment for inputs in mixed 3.3/5V system.
Pin configuration and function are the same as those of the 74LX1G04 but the 74LX1G14 has hysteresis.This together with its schmitt trigger function allows it to be used on line receivers with slow rise/fall input signals.
The input is equipped with protection circuits against static discharge, giving it ESD immunity and transient excess voltage.