Features: • Single supply 5.0V operation• Low power CMOS technology- 1 mA active current (typical)- 1A standby current (maximum)• 512x 8 bit organization (93C66A)• 256x 16 bit organization (93C66B)• Self-timed ERASE and WRITE cycles (including auto-erase) • Aut...
93C66B: Features: • Single supply 5.0V operation• Low power CMOS technology- 1 mA active current (typical)- 1A standby current (maximum)• 512x 8 bit organization (93C66A)• 256x 16 bi...
SeekIC Buyer Protection PLUS - newly updated for 2013!
268 Transactions
All payment methods are secure and covered by SeekIC Buyer Protection PLUS.
Features: • Low-power CMOS technology• ORG pin to select word size for '66C' version...
• Single supply 5.0V operation
• Low power CMOS technology
- 1 mA active current (typical)
- 1A standby current (maximum)
• 512x 8 bit organization (93C66A)
• 256x 16 bit organization (93C66B)
• Self-timed ERASE and WRITE cycles (including auto-erase)
• Automatic ERAL before WRAL
• Power on/off data protection circuitry
• Industry standard 3-wire serial interface
• Device status signal during ERASE/WRITE cycles
• Sequential READ function
• 100,000 E/W cycles guaranteed
• Data retention > 200 years
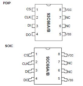
• 8-pin PDIP and SOIC packages
• Available for the following temperature ranges:
- Automotive (E): -40°C to +125°C

| Parameter Name | Value |
| Density | 4K bits (x16) |
| Max. Clock Freq. | 2 MHz |
| Page Size (bytes) | 1 |
| Endurance | 1,000,000 |
| Op. Volt Range (V) | 4.5 to 5.5 |
| Temp Range (°C) | -40°C to +125°C |