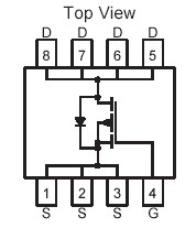
Features: • VDS(MAX) = -20V• ID(MAX)1 = -6.0A @ 25°C• Low RDS(ON):• 35 mΩ @ VGS = -4.5V• 60 mΩ @ VGS = -2.5VApplication• Battery Packs• Cellular & Cordless Telephones• Battery-powered portable equipment• Load SwitchesPinoutSpeci...
AAT8307: Features: • VDS(MAX) = -20V• ID(MAX)1 = -6.0A @ 25°C• Low RDS(ON):• 35 mΩ @ VGS = -4.5V• 60 mΩ @ VGS = -2.5VApplication• Battery Packs• Cellular...
SeekIC Buyer Protection PLUS - newly updated for 2013!
268 Transactions
All payment methods are secure and covered by SeekIC Buyer Protection PLUS.

| Symbol | Description | Value | Units | |
| VDS |
Drain-Source Voltage | -20 | V | |
| VGS | Gate-Source Voltage | ±12 | ||
| ID | Continuous Drain Current @ TJ=150 1 | TA = 25 | ±6.0 | A |
| TA = 70 |
±4.8 | |||
| IDM | Pulsed Drain Current 2 | ±32 | ||
| IS | Continuous Source Current (Source-Drain Diode) 1 | -1.9 | ||
| PD | Maximum Power Dissipation 1 | TA = 25 | 2.1 | W |
| TA = 70 | 1.3 | |||
| TJ, TSTG | Operating Junction and Storage Temperature Range | -55 to 150 | ||
The AAT8307 is a low threshold P Channel MOSFET designed for the battery, cell phone, and PDA markets. Using AnalogicTech™'s proprietary ultrahigh density Trench technology, and space saving small outline J-lead package, performance superior to that normally found in a larger footprint has been squeezed into the area of a TSOP6 package.