Features: 5.0 V Stereo Audio ADC
with 3.3 V Tolerant Digital Interface
Supports 96 kHz Sample Rates
Supports 16-/20-/24-Bit Word Lengths
Multibit Sigma-Delta Modulators with
"Perfect Differential Linearity Restoration" for
Reduced Idle Tones and Noise Floor
105 dB (Typ) Dynamic Range
Supports 256/512 and 768 fS Master Clocks
Flexible Serial Data Port
Allows Right-Justified, Left-Justified, I2S Compatible
and DSP Serial Port Modes
Cascadable (up to Four Devices) from a Single DSP
SPORT
Device Control via SPI Compatible Serial Port or
Optional Control Pins
On-Chip Reference
28-Lead SSOP PackageApplicationProfessional Audio
Mixing Consoles
Musical Instruments
Digital Audio Recorders, Including
CD-R, MD, DVD-R, DAT, HDD
Home Theater Systems
Automotive Audio Systems
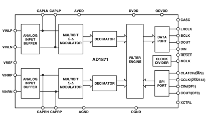
MultimediaPinout
Specifications
| DNR (dB) |
105dB |
| SNR (dB) |
105dB |
| THD+N @ 1kHz (-dB) |
95dB |
| Product Description |
Stereo Audio 24-Bit, 96 kHz, Multibit Sigma-Delta ADC |
|
Min Typ Max |
Unit |
DVDD to DGND and ODVDD to DGND AVDD to AGND Digital Inputs Analog Inputs AGND to DGND Reference Voltage Soldering (10 sec) |
0 6 06 DGND 0.3 DVDD + 0.3 AGND 0.3 AVDD + 0.3 0.3 +0.3 Indefinite Short Circuit to Ground 300 |
V V V V V
C |
DescriptionThe AD1871 is a stereo audio ADC intended for digital audioapplications requiring high performance analog-to-digitalconversion. It features two 24-bit conversion channels eachwith programmable
The AD1871 is a stereo audio ADC intended for digital audio applications requiring high performance analog-to-digital conversion. It features two 24-bit conversion channels each with programmable gain amplifier (PGA), multibit sigma-delta modulator, and decimation filters. Each channel provides 105 db of dynamic range, making the AD1871 suitable for applications such as digital audio recorders and mixing consoles.
Each of the AD1871's input channels (left and right) can be configured as either differential or single-ended (two inputs muxed with internal single-ended-to-differential conversion). The input PGA features a gain range of 0 dB to 12 dB in steps of 3 dB. The -∆ modulator features a proprietary multibit architecture that realizes optimum performance over an audio bandwidth with standard audio sampling rates of 32 kHz up to 96 kHz. The decimation filter response features very low passband ripple and excellent stop-band attenuation.
The AD1871's audio data interface supports all common interface formats such as I
2S, left-justified, right-justified as well as other modes that allow for convenient connection to general-purpose digital signal processors (DSPs). The AD1871 also features an SPI compatible serial control port that allows for convenient control of device parameters and functionality such as sample word-width, PGA settings, interface modes, and so on.
The AD1871 operates from a single 5 V power supply-with an optional digital interfacing capability of 3.3 V. It is housed in a 28-lead SSOP package and is characterized for operation over the temperature range 40°C to +105°C.