Features: AC'97 2.1 FEATURES`Variable Sample Rate`True Line-Level Output`Supports Secondary Codec Modes`AC'97 FEATURESDesigned for AC'97 Analog I/O Component`48-Lead LQFP Package`Multibit Converter Architecture for Improved S/N Ratio Greater than 90 dB`16-Bit Stereo Full-Duplex Codec`Four Analog L...
AD1881A: Features: AC'97 2.1 FEATURES`Variable Sample Rate`True Line-Level Output`Supports Secondary Codec Modes`AC'97 FEATURESDesigned for AC'97 Analog I/O Component`48-Lead LQFP Package`Multibit Converter ...
SeekIC Buyer Protection PLUS - newly updated for 2013!
268 Transactions
All payment methods are secure and covered by SeekIC Buyer Protection PLUS.


| Parameter |
Min |
Max |
Unit |
| Power Supplies | |||
| Digital (VDD) |
-0.3 |
+3.6 |
V |
| Analog (VCC) |
0.3 |
+6.0 |
V |
| Analog Input Voltage (Signal Pins) |
0.3 |
VCC + 0.3 |
V |
| Digital Input Voltage (Signal Pins) |
0.3 |
VDD + 0.3 |
V |
| Ambient Temperature (Operating) |
0 |
+70 |
°C |
| Storage Temperature |
-65 |
+150 |
°C |
*Stresses greater than those listed under Absolute Maximum Ratings may cause permanent damage to the device. This is a stress rating only; functional operation of the device at these or any other conditions above those indicated in the operational section of this specification is not implied. Exposure to absolute maximum rating conditions for extended periods may affect device reliability.
| # of ADCs | 2 |
| # DAC | 2 |
| ADC DNR (dB) | 87dB |
| Compliant | 2.1 |
| DAC DNR (dB) | 90dB |
| Number of Channels | 2 |
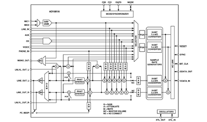
The AD1881A meets the Audio Codec '97 2.0 and 2.1 Extensions. Inaddition, the AD1881A SoundMAX Codec is designed to meet allrequirements of the Audio Codec '97, Component Specification,