Features: AC'97 2.1 FEATURES`Variable Sample Rate Audio`Multiple Codec Configuration Options`External Audio Power-Down ControlAC'97 FEATURES`AC'97 2.1-Compliant`Greater than 90 dB Dynamic Range`Stereo Headphone Amplifier`Multibit Converter Architecture for Improved S/N Ratio Greater than 90 dB`16...
AD1885: Features: AC'97 2.1 FEATURES`Variable Sample Rate Audio`Multiple Codec Configuration Options`External Audio Power-Down ControlAC'97 FEATURES`AC'97 2.1-Compliant`Greater than 90 dB Dynamic Range`Ster...
SeekIC Buyer Protection PLUS - newly updated for 2013!
268 Transactions
All payment methods are secure and covered by SeekIC Buyer Protection PLUS.


| # of ADCs | 2 |
| # DAC | 2 |
| ADC DNR (dB) | 87dB |
| Compliant | 2.1 |
| DAC DNR (dB) | 90dB |
| Number of Channels | 2 |
| Parameter |
Min |
Max |
Unit |
| Power Supplies | |||
| Digital (AVDD) |
-0.3 |
+3.6 |
V |
| Analog (DVDD) |
0.3 |
+6.0 |
V |
| Input Current (Except Supply Pins) |
±10 |
mA | |
| Analog Input Voltage (Signal Pins) |
0.3 |
AVDD + 0.3 |
V |
| Digital Input Voltage (Signal Pins) |
-0.3 |
DVDD + 0.3 |
V |
| Ambient Temperature (Operating) |
0 |
+70 |
°C |
| Storage Temperature |
-65 |
+150 |
°C |
*Stresses greater than those listed under Absolute Maximum Ratings may cause permanent damage to the device. This is a stress rating only; functional operation of the device at these or any other conditions above those indicated in the operational section of this specification is not implied. Exposure to absolute maximum rating conditions for extended periods may affect device reliability.
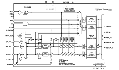
Analog Devices' AD1885 AC'97 SoundMAX? Codec provides stereo analog I/O on PC motherboard and peripheral devices, as part of the signal chain for delivery of high quality audio to PC-connected