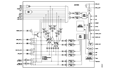
Features: AC '97 2.3 compatible features6 DAC channels for 5.1 surround90 dB dynamic range20-bit PCM DACsS/PDIF outputIntegrated stereo headphone amplifiersPhone, aux, and line-inHigh quality CD inputSelectable MIC inputMono outputExternal amplifier power-down controlDouble rate audio (fS = 96 kHz...
AD1888: Features: AC '97 2.3 compatible features6 DAC channels for 5.1 surround90 dB dynamic range20-bit PCM DACsS/PDIF outputIntegrated stereo headphone amplifiersPhone, aux, and line-inHigh quality CD inp...
SeekIC Buyer Protection PLUS - newly updated for 2013!
268 Transactions
All payment methods are secure and covered by SeekIC Buyer Protection PLUS.


|
Parameter |
Min |
Max |
Unit |
| Power Supplies Digital (DVDD) Analog (AVDD) |
−0.3 −0.3 |
+3.6 +6.0 |
V V |
| Input Current (Except Supply Pins) |
±10.0 |
mA | |
| Analog Input Voltage (Signal Pins) |
−0.3 |
AVDD + 0.3 |
V |
| Digital Input Voltage (Signal Pins) |
−0.3 |
DVDD + 0.3 |
V |
| Ambient Temperature (Operating) |
0 |
+70 |
°C |
| Storage Temperature |
-65 |
+150 |
°C |
Stresses greater than those listed under Absolute Maximum Ratings may cause permanent damage to the device. This is a stress rating only and functional operation of the device at these or any other conditions above those indicated in the operational section of this specification is not implied. Exposure to absolute maximum rating conditions for extended periods may affect device reliability.
| # of ADCs | 2 |
| # DAC | 6 |
| ADC DNR (dB) | 80dB |
| Compliant | 2.3 |
| DAC DNR (dB) | 90dB |
| Number of Channels | 6 |
The AD1888 is used to add analog and digital audio capabilities to computer motherboards by connecting directly to the core logic chipset. By reusing existing system resources, this solution adds