PinoutSpecifications # of ADCs 2 # DAC 6 ADC DNR (dB) 85dB Compliant 2.3 ...
AD1986A: PinoutSpecifications # of ADCs 2 # DAC 6 ADC DNR (dB) 85dB ...
SeekIC Buyer Protection PLUS - newly updated for 2013!
268 Transactions
All payment methods are secure and covered by SeekIC Buyer Protection PLUS.
US $209.25 - 209.25 / Piece
Photodiodes Si APD Enhanced for 905nm 1950um Area

| # of ADCs | 2 |
| # DAC | 6 |
| ADC DNR (dB) | 85dB |
| Compliant | 2.3 |
| DAC DNR (dB) | 90dB |
| Number of Channels | 6 |
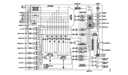
The AD1986A is used to add analog and digital audio capabilities to computer motherboards by connecting directly to the AC'97 and HD Audio core logic chipsets. By reusing existing systems