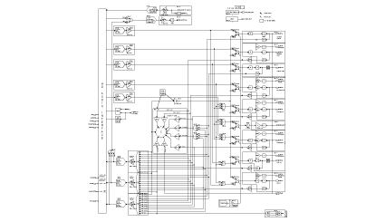
Features: Ten 192 kHz DACsFive independent stereo DAC pairs7.1 surround sound plus independent headphoneIndependent 8 kHz, 11.025 kHz, 16 kHz, 22.05 kHz, 32 kHz,44.1 kHz, 48 kHz, 88.2 kHz, 96 kHz, 176.4 kHz, and 192 kHzsample ratesSelectable stereo mixer on outputs16-, 20-, and 24-bit PCM resoluti...
AD1988A: Features: Ten 192 kHz DACsFive independent stereo DAC pairs7.1 surround sound plus independent headphoneIndependent 8 kHz, 11.025 kHz, 16 kHz, 22.05 kHz, 32 kHz,44.1 kHz, 48 kHz, 88.2 kHz, 96 kHz, 1...
SeekIC Buyer Protection PLUS - newly updated for 2013!
268 Transactions
All payment methods are secure and covered by SeekIC Buyer Protection PLUS.
US $209.25 - 209.25 / Piece
Photodiodes Si APD Enhanced for 905nm 1950um Area

| Parameter |
Rating |
| Digital (DVDD) Digital I/O (DVIO) Analog (AVDD) Input Current (Except Supply Pins) Analog Input Voltage (Signal Pins) Digital Input Voltage (Signal Pins) Ambient Temperature (Operating) Storage Temperature Range |
−0.30 V to +3.65 V −0.30 V to +3.65 V −0.30 V to +3.65 V ±10.0 mA −0.30 V to AVDD + 0.3 V −0.30 V to DVIO + 0.3 V 0°C to +70°C −65°C to +150°C |
| # of ADCs | 4 |
| # DAC | 10 |
| ADC DNR (dB) | 90dB |
| DAC DNR (dB) | 95dB |
The AD1988 family of audio CODECs and SoundMAX? software provides superior HD Audio quality that exceeds Vista Premium performance requirements. The AD1988A and AD1988B have 10 DACs and 6 ADCs, 3