Features: `Gain of 320. Alterable from 31 to 3160`Input CMR from Below Ground to 63 (VS 1 V)`Output Span 20 mV to (VS 0.2) V`1-, 2-, 3-Pole Low-Pass Filtering Available`Accurate Midscale Offset Capability`Differential Input Resistance 400 kV`Drives 1 kV Load to +4 V Using VS = +5 V`Supply Voltag...
AD22057: Features: `Gain of 320. Alterable from 31 to 3160`Input CMR from Below Ground to 63 (VS 1 V)`Output Span 20 mV to (VS 0.2) V`1-, 2-, 3-Pole Low-Pass Filtering Available`Accurate Midscale Offset Ca...
SeekIC Buyer Protection PLUS - newly updated for 2013!
268 Transactions
All payment methods are secure and covered by SeekIC Buyer Protection PLUS.


| Single/Dual Supply | Single |
| Voltage Supply (Vmax) | +26V |
| Gain Range (min to max) | 20 |
| Bandwidth G=10 (kHz typ) | 30kHz |
| CMRR (dB) | 80dB |
| Temperature Range | -40 to +125 |
| Supply Current | 0.5mA |
| Package | DIP,SOIC |
| Vosi (V) | 1000V |
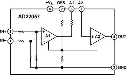
The AD22057 is a single-supply difference amplifier for amplifying and low-pass filtering small differential voltages (typically 100 mV FS at a gain of 40) from sources having a large commonmode voltage.
Supply voltages of AD22057 from +3.0 V to +36 V can be used. The input common-mode range extends from below ground to +24 V usinga +5 V supply with excellent rejection of this common-mode voltage. This is achieved by the use of a special resistive attenuator at the input, laser trimmed to a very high differential balance. Provisions are included for optional low-pass filtering and gain adjustment. An accurate midscale offset feature allows bipolar signals to be amplified.