PinoutSpecifications Resolution (Bits) 12bit DAC Update Rate 125kSPS DAC Settling Time 8s # DAC Outputs 2 ...
AD5322: PinoutSpecifications Resolution (Bits) 12bit DAC Update Rate 125kSPS DAC ...
SeekIC Buyer Protection PLUS - newly updated for 2013!
268 Transactions
All payment methods are secure and covered by SeekIC Buyer Protection PLUS.

| Resolution (Bits) | 12bit |
| DAC Update Rate | 125kSPS |
| DAC Settling Time | 8s |
| # DAC Outputs | 2 |
| DAC Type | Voltage Out |
| DAC Input Format | Ser,SPI |
| Output FSR | (Uni Vref) |
| Ref Int/Ext | Ext |
| Supply Vnom | Single(+2.5),Single(+2.7),Single(+3),Single(+3.3),Single(+5) |
| Pwr Diss | 2.5mW |
| Package | SOIC,SOP |
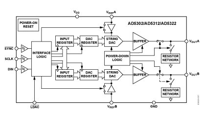
The AD5302/AD5312/AD5322 are dual 8-, 10- and 12-bit buffered voltage output DACs in a 10-lead SOIC package that operate from a single +2.5 V to +5.5 V supply consuming 230 A at 3 V. Their