Features: ·Guaranteed Monotonic·INL Error: ±4LSB max·On-Chip 1.25/2.5V, 10ppm/°C Reference·Temperature Range: -40°C to +85°C·Rail to Rail Output Amplifier·Package Type: 100-lead LQFP (14mm x 14mm)·User Interfaces:Parallel,Serial (SPI, QSPI, Microwire and DSP compatiblefeaturing Data Readback)I2C C...
AD5380: Features: ·Guaranteed Monotonic·INL Error: ±4LSB max·On-Chip 1.25/2.5V, 10ppm/°C Reference·Temperature Range: -40°C to +85°C·Rail to Rail Output Amplifier·Package Type: 100-lead LQFP (14mm x 14mm)·U...
SeekIC Buyer Protection PLUS - newly updated for 2013!
268 Transactions
All payment methods are secure and covered by SeekIC Buyer Protection PLUS.


AVDD to AGND.....................................-0.3 V to +7 V
DVDD to DGND.....................................-0.3 V to +7 V
Digital Inputs to DGND...........-0.3 V to DVDD + 0.3 V
SDA/SCL to DGND..............................-0.3 V to + 7 V
Digital Outputs to DGND........-0.3 V to DVDD + 0.3 V
REFIN/REFOUT to AGND.........-0.3 V to AVDD + 0.3 V
AGND to DGND.................................-0.3 V to +0.3 V
VOUT0-39 to AGND............... - 0.3 V to AVDD + 0.3 V
Analog Inputs to AGND......... - 0.3 V to AVDD + 0.3 V
Operating Temperature Range
Commercial (B Version)...............-40°C to +85°C
Storage Temperature Range........-65°C to +150°C
JunctionTemperature (TJmax).......................+150°C
100-lead LQFP Package,
JAThermalImpedance..............................44°C/W
Reflow Soldering
Peak Temperature........................................230°C
1 Stresses above those listed under "Absolute Maximum Ratings" may cause permanent damage to the device. This is a stress rating only, and functional operation of the device at these or any other conditions above those listed in the operational sections of this specification is not implied. Exposure to absolute maximum rating conditions for extended periods may affect device reliability.
2 Transient currents of up to 100mA will not cause SCR latch-up
| Resolution (Bits) | 14bit |
| DAC Update Rate | 125kSPS |
| DAC Settling Time | 8s |
| # DAC Outputs | 40 |
| DAC Type | Voltage Out |
| DAC Input Format | Par,Ser,SPI |
| Output FSR | (Uni 2Vref),(Uni 5V),User Def. Range/Offset |
| Ref Int/Ext | Int/Ext |
| Supply Vnom | Single(+3),Single(+3.3),Single(+5) |
| Pwr Diss | 125mW |
| Package | QFP |
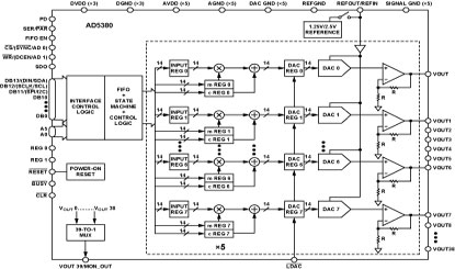
The AD5380 is a complete single supply, 40-channel, 14-bit DAC available in 100-lead LQFP package. All 40-channels have an on-chip output amplifier with rail-torail operation. The AD5380 includes an internal 1.25/2.5V, 10ppm/°C reference, an on-chip channel monitor function that multiplexes the analog outputs to a common MON_OUT pin for external monitoring and an output amplifier boost mode that allows the amplifier settling time to be optimized. The AD5380 contains a double buffered parallel interface featuring aWR pulse width of 20ns, a serial interface compatible with SPITM, QSPITM, MICROWIRETM and DSP interface standards with interface speeds in excess of 30MHz and an I2C compatible interface supporting 400kHz data transfer rate.
An input register followed by a DAC register provides double buffering allowing the DAC outputs to be updated independantly or simultaneously using theLDAC input.
Each channel has a programmable gain and offset adjust register allowing the user to fully calibrate any DAC Channel.Power consumption is typically 0.3mA/channel.