Features: Guaranteed monotonicINL error: ±1 LSB maxOn-chip 1.25 V/2.5 V, 10 ppm/ referenceTemperature range: 40 to +85Rail-to-rail output amplifierPower-downPackage type: 100-lead LQFP (14 mm * 14 mm)User Interfaces:ParallelSerial (SPI®/QSPI™/MICROWIRE™/DSP compatible,featuring dat...
AD5381: Features: Guaranteed monotonicINL error: ±1 LSB maxOn-chip 1.25 V/2.5 V, 10 ppm/ referenceTemperature range: 40 to +85Rail-to-rail output amplifierPower-downPackage type: 100-lead LQFP (14 mm * 14 m...
SeekIC Buyer Protection PLUS - newly updated for 2013!
268 Transactions
All payment methods are secure and covered by SeekIC Buyer Protection PLUS.

| Resolution (Bits) | 12bit |
| DAC Update Rate | 167kSPS |
| DAC Settling Time | 6s |
| # DAC Outputs | 40 |
| DAC Type | Voltage Out |
| DAC Input Format | Par,Ser,SPI |
| Output FSR | (Uni 2.5V),(Uni 2Vref),(Uni 5V),User Def. Range/Offset |
| Ref Int/Ext | Int/Ext |
| Supply Vnom | Single(+3),Single(+3.3),Single(+5) |
| Package | QFP |
Table 9. TA = 25, unless otherwise noted1
Parameter
Rating
AVDD to AGND
0.3 V to +7 V
DVDD to DGND
0.3 V to +7 V
Digital Inputs to DGND
0.3 V to DVDD + 0.3 V
SDA/SCL to DGND
0.3 V to + 7 V
Digital Outputs to DGND
0.3 V to DVDD + 0.3 V
REFIN/REFOUT to AGND
0.3 V to DVDD + 0.3 V
AGND to DGND
0.3 V to +0.3 V
VOUTx to AGND
0.3 V to AVDD + 0.3 V
Analog Inputs to AGND
0.3 V to AVDD + 0.3 V
Operating Temperature Range
Commercial (B Version)
40 to +85
Storage Temperature Range
65 to +150
JunctionTemperature (TJ Max)
150
100-lead LQFP Package
JAThermal Impedance
44/W
Reflow Soldering
Peak Temperature
230C
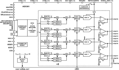
The AD5381 is a complete, single-supply, 40-channel, 12-bit DAC available in a 100-lead LQFP package. All 40 channels have an on-chip output amplifier with rail-to-rail operation. The AD5381 includes a programmable internal 1.25 V/2.5 V, 10 ppm/°C reference, an on-chip channel monitor function that multiplexes the analog outputs to a common MON_OUT pin for external monitoring, and an output amplifier boost mode that allows optimization of the amplifier slew rate. The AD5381 contains a double-buffered parallel interface that features a 20 ns WR pulse width, an SPI/QSPI/MICROWIRE/DSP compatible serial interface with interface speeds in excess of 30 MHz, and an I2C compatible interface that supports a 400 kHz data transfer rate.
An input register followed by a DAC register provides double buffering, allowing the DAC outputs to be updated indepen-dently or simultaneously using the LDAC input.
Each channel has a programmable gain and offset adjust register that allows the user to fully calibrate any DAC channel. Power consumption is typically 0.25 mA/channel with boost mode disabled.