Features: Full-Scale Frequency (Up to 2 MHz) Set by External System ClockExtremely Low Linearity Error (0.005% max at 1 MHz FS, 0.02% max at 2 MHz FS)No Critical External Components RequiredAccurate 5 V Reference VoltageLow Drift (25 ppm/C max)Dual or Single Supply OperationVoltage or Current Inp...
AD652: Features: Full-Scale Frequency (Up to 2 MHz) Set by External System ClockExtremely Low Linearity Error (0.005% max at 1 MHz FS, 0.02% max at 2 MHz FS)No Critical External Components RequiredAccurate...
SeekIC Buyer Protection PLUS - newly updated for 2013!
268 Transactions
All payment methods are secure and covered by SeekIC Buyer Protection PLUS.

| Architecture | Synchronous |
| # Channels | 1-Single Ended |
| Input Voltage Range (V) | ±10V |
| Full Scale Fout (kHz) | 2500kHz |
| Reference Voltage (V) | 5V |
| Accuracy (%/kHz) | 2 |
| Input Clk Frequency (MHz) | 5MHz |
| Voltage Supply (V) | +/- 6 to +/- 15 |
| Supply Current | 15mA |
| Package | 20-Lead PLCC |
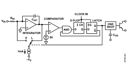
The AD652 Synchronous Voltage-to-Frequency Converter (SVFC) is a powerful building block for precision analog-todigital conversion, offering typical nonlinearity of 0.002% (0.005% maximum) at a 100 kHz output frequency. The inherent monotonicity of the transfer function and wide range of clock frequencies allows the conversion time and resolution to be optimized for specific applications.
The AD652 uses a variation of the popular charge-balancing technique to perform the conversion function. The AD652 uses an external clock to define the full-scale output frequency, rather than relying on the stability of an external capacitor. The result is a more stable, more linear transfer function, with significant application benefits in both single- and multichannel systems.
Gain drift is minimized using a precision low drift reference and low TC on-chip thin-film scaling resistors. Furthermore, the initial gain error is reduced to less than 0.5% by the use of laser-wafer-trimming.
The analog and digital sections of the AD652 have been designed to allow operation from a single-ended power source, simplifying its use with isolated power supplies.
The AD652 is available in five performance grades. The 20-lead PLCC packaged JP and KP grades are specified for operation over the 0°C to +70°C commercial temperature range. The 16-lead cerdip-packaged AQ and BQ grades are specified for operation over the 40°C to +85°C industrial temperature range, and the AD652SQ is available for operation over the full 55°C to +125°C extended temperature range.