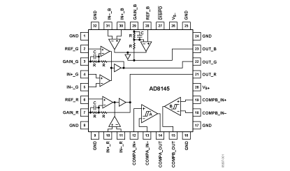
PinoutSpecifications -3 dB BW (MHz) 500MHz Minimum Gain (Acl) 1 Supply Current 48.5mA Slew Rate (V/us) 2100V/s ...
AD8145: PinoutSpecifications -3 dB BW (MHz) 500MHz Minimum Gain (Acl) 1 Supply Cu...
SeekIC Buyer Protection PLUS - newly updated for 2013!
268 Transactions
All payment methods are secure and covered by SeekIC Buyer Protection PLUS.

| -3 dB BW (MHz) | 500MHz |
| Minimum Gain (Acl) | 1 |
| Supply Current | 48.5mA |
| Slew Rate (V/us) | 2100V/s |
| Distortion (2nd) (dBc) | -67dBc |
| Distortion (3rd) (dBc) | -88dBc |
| Package | 32-Lead CSP |
The AD8145 is a triple, low cost, differential-to-single-ended receiver specifically designed for receiving red-green-blue (RGB) video signals over twisted pair cable or differential printed