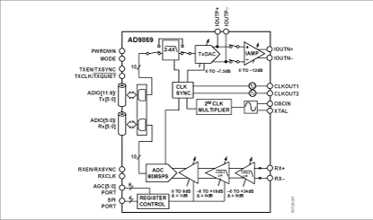
PinoutSpecifications Resolution (Bits) 12bit T-Put Rate 80MSPS # Chan 1 Supply V Multi(+3.3Anlg, +3.3Dig),Single(+3.3) ...
AD9869: PinoutSpecifications Resolution (Bits) 12bit T-Put Rate 80MSPS # Chan ...
SeekIC Buyer Protection PLUS - newly updated for 2013!
268 Transactions
All payment methods are secure and covered by SeekIC Buyer Protection PLUS.

| Resolution (Bits) | 12bit |
| T-Put Rate | 80MSPS |
| # Chan | 1 |
| Supply V | Multi(+3.3Anlg, +3.3Dig),Single(+3.3) |
| Sample Rate | 80MSPS |
| ADC Bits x #ADCs-Speed | 12x1-80 MHz |
| DAC Bits x #DACs-ClkSpeed | 12x1-80 MHz |
| Pkg Type | CSP |
| Primary Application | Broadband Wireline, Home Networking |