Features: Analog/HDMI dual interface Supports high bandwidth digital content protection RGB-to-YCbCr 2-way color conversion Automated clamping level adjustment 1.8 V/3.3 V power supply 100-lead LQFP Pb-free package RGB and YCbCr output formats Analog interface8-bit triple ADC 100 MSPS maximum con...
AD9880: Features: Analog/HDMI dual interface Supports high bandwidth digital content protection RGB-to-YCbCr 2-way color conversion Automated clamping level adjustment 1.8 V/3.3 V power supply 100-lead LQF...
SeekIC Buyer Protection PLUS - newly updated for 2013!
268 Transactions
All payment methods are secure and covered by SeekIC Buyer Protection PLUS.


| Parameter | Rating |
| VD VDD DVDD PVDD Analog Inputs Digital Inputs Digital Output Current Operating Temperature Storage Temperature Maximum Junction Temperature Maximum Case Temperature |
3.6 V 3.6 V 1.98 V 1.98 V VD to 0.0 V 5 V to 0.0 V 20 mA −25°C to + 85°C −65°C to + 150°C 150°C 150°C |
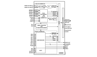
The AD9880 offers designers the flexibility of an analog interface and high definition multimedia interface (HDMI) receiver inte-grated on a single chip. Also included is support for high band-width digital content protection (HDCP).
Analog Interface
The AD9880 is a complete 8-bit 150 MSPS monolithic analog inter-face optimized for capturing component video (YPbPr) and RGB graphics signals. Its 150 MSPS encode rate capability and full power analog bandwidth of 330 MHz supports all HDTV formats (up to 1080 p) and FPD resolutions up to SXGA (1280 * 1024 @ 75 Hz).
The analog interface includes a 150 MHz triple ADC with internal 1.25 V reference, a phase-locked loop (PLL), and programmable gain, offset, and clamp control. The user provides only 1.8 V and 3.3 V power supplies, analog input, and Hsync. Three-state CMOS outputs can be powered from 1.8 V to 3.3 V. The AD9880's on-chip PLL generates a pixel clock from Hsync. Pixel clock output frequencies range from 12 MHz to 150 MHz. PLL clock jitter is typically less than 700 ps p-p at 150 MHz. The AD9880 also offers full sync processing for composite sync and sync-on-green (SOG) applications.
Digital Interface
The AD9880 contains a HDMI 1.1-compatible receiver and sup-ports all HDTV formats (up to 1080 p and 720 p) and display resolutions up to SXGA (1280 * 1024 @75 Hz). The receiver features an intrapair skew tolerance of up to one full clock cycle. With the inclusion of HDCP, displays can now receive encrypted video content. The AD9880 allows for authentication of a video receiver, decryption of encoded data at the receiver, and renewa-bility of the authentication during transmission, as specified by the HDCP v 1.1 protocol.
Fabricated in an advanced CMOS process, the AD9880 is provided in a space-saving, 100-lead LQFP surface-mount Pb-free plastic package and is specified over the 0°C to 70°C temperature range.