Features: 400 MSPS internal clock speed Integrated 14-bit DAC 32-bit tuning word Phase noise 120 dBc/Hz @ 1 kHz offset (DAC output) Excellent dynamic performance >80 dB SFDR @ 160 MHz (±100 kHz offset) AOUT Serial I/O control 1.8 V power supply Software and hardware controlled power-down 48-le...
AD9952: Features: 400 MSPS internal clock speed Integrated 14-bit DAC 32-bit tuning word Phase noise 120 dBc/Hz @ 1 kHz offset (DAC output) Excellent dynamic performance >80 dB SFDR @ 160 MHz (±100 kHz ...
SeekIC Buyer Protection PLUS - newly updated for 2013!
268 Transactions
All payment methods are secure and covered by SeekIC Buyer Protection PLUS.


| Parameter | Rating |
| Maximum Junction Temperature DVDD_I/O (Pin 43) AVDD, DVDD Digital Input Voltage (DVDD_I/O = 3.3 V) Digital Input Voltage (DVDD_I/O = 1.8 V) Digital Output Current Storage Temperature Operating Temperature Lead Temperature (10 sec Soldering) JA JC |
150°C 4 V 2 V 0.7 V to +5.25 V 0.7 V to +2.2 V 5 mA 65°C to +150°C 40°C to +105°C 300°C 38°C/W 15°C/W |
| Compliance Range (V) | 2.05V |
| FS Iout (mA nom) | 10mA |
| I Supply total (max) | n/a |
| I/O Interface | Serial |
| Master fclk | 400MHz |
| Nominal Supply (V) | Multi(+1.8, +3.3),Single(+1.8) |
| On-Board Comparator | Yes |
| REFCLK Multiplier | Yes |
| Resolution (Bits) | 14bit |
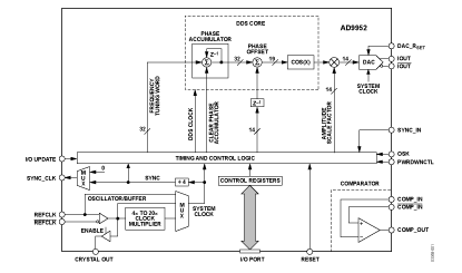
The AD9952 is a direct digital synthesizer (DDS) featuring a 14-bit DAC operating up to 400 MSPS. The AD9952 uses advanced DDS technology, coupled with an internal high speed, high performance DAC to form a digitally programmable, complete high frequency synthesizer capable of generating a frequency-agile analog output sinusoidal waveform at up to 200 MHz. The AD9952 is designed to provide fast frequencyhopping and fine tuning resolution (32-bit frequency tuning word). The frequency tuning and control words are loaded into the AD9952 via a serial I/O port.
The AD9952 is specified to operate over the extended industrial temperature range of 40°C to +105°C.