Features: 400 MSPS Internal Clock Speed Integrated 14-bit D/A Converter Programmable phase/amplitude dithering 32-bit Tuning Word Phase Noise <= -125 dBc/Hz @ 1KHz offset (DAC output) Excellent Dynamic Performance 80dB SFDR @ 130MHz (+/- 100KHz Offset) Aout Serial I/O Control 1.8V Power Supply ...
AD9953: Features: 400 MSPS Internal Clock Speed Integrated 14-bit D/A Converter Programmable phase/amplitude dithering 32-bit Tuning Word Phase Noise <= -125 dBc/Hz @ 1KHz offset (DAC output) Excellent D...
SeekIC Buyer Protection PLUS - newly updated for 2013!
268 Transactions
All payment methods are secure and covered by SeekIC Buyer Protection PLUS.
400 MSPS Internal Clock Speed Integrated 14-bit D/A Converter Programmable phase/amplitude dithering 32-bit Tuning Word Phase Noise <= -125 dBc/Hz @ 1KHz offset (DAC output) Excellent Dynamic Performance 80dB SFDR @ 130MHz (+/- 100KHz Offset) Aout Serial I/O Control 1.8V Power Supply Software and Hardware controlled power down 48-lead EPAD-TQFP package Linear and non-linear frequency sweeping capability Integrated 1024x32 word RAM Support for 5v input levels on most digital inputs PLL REFCLK multiplier (4X to 20X) Internal oscillator, can be driven by a single crystal Phase modulation capability Multi-Chip Synchronization
Agile L.O. Frequency Synthesis FM Chirp Source for Radar and Scanning Systems Automotive Radar Test and Measurement Equipment PSK/FSK/Ramped FSK modulation

| Compliance Range (V) | 2.05V |
| FS Iout (mA nom) | 10mA |
| I Supply total (max) | n/a |
| I/O Interface | Serial |
| Master fclk | 400MHz |
| Nominal Supply (V) | Multi(+1.8, +3.3),Single(+1.8) |
| On-Board Comparator | No |
| REFCLK Multiplier | Yes |
| Resolution (Bits) | 14bit |
Maximum Junction Temp. ............................. ...................+150 °C
Vs .......................................................................................... +4 V
Digital Input Voltage............................... ...................-0.7 V to +Vs
Digital Output Current ........................................................... 5 mA
Storage Temperature ..................................... -65 °C to +150 °C
Operating Temp. ............................................ ...-40 °C to +85 °C
Lead Temp. (10 sec. soldering) ........................................ +300 °C
JA ..................................................................................... 38°C/W
JC .....................................................................................15 °C/W
* Absolute maximum ratings are limiting values, to be applied individually, and beyond which the serviceability of the circuit may be impaired. Functional operability under any of these conditions is not necessarily implied. Exposure of absolute maximum rating conditions for extended periods of time may affect device reliability.
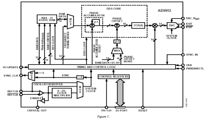
The AD9953 is a Direct Digital Synthesizer (DDS) featuring a 14-bit DAC operating up to 400MSPS. The AD9953 uses advanced DDS technology, coupled with an internal high-speed, high performance D/A converter to form a digitallyprogrammable, complete high-frequency synthesizer capable of generating a frequency-agile analog output sinusoidal waveform at up to 200 MHz. The AD9953 is designed to provide fast frequency hopping and fine tuning resolution (32-bit frequency tuning word). The frequency tuning and control words are loaded into the AD9953 via a serial I/O port. The AD9953 includes an integrated 1024x32 Static RAM to support flexible frequency sweep capability in several modes.
The AD9953 is specified to operate over the extended industrial temperature range of -40° to +85°C.