PinoutSpecificationsPin and Function Compatible Family4 ch, MSOP-10Resolution8 bitsInput Channels4Sample Rate Range (sps)200k to 500kInterface TypeSPI / QSPI / MicrowireDifferential InputNoPower Down, typ. at 3.6V0.12 uWOperating Power, typ at 3.6V, max ksps0.007 mWOperating Power, 3.6V, 1ksps, ma...
ADC084S051: PinoutSpecificationsPin and Function Compatible Family4 ch, MSOP-10Resolution8 bitsInput Channels4Sample Rate Range (sps)200k to 500kInterface TypeSPI / QSPI / MicrowireDifferential InputNoPower Dow...
SeekIC Buyer Protection PLUS - newly updated for 2013!
268 Transactions
All payment methods are secure and covered by SeekIC Buyer Protection PLUS.

| Pin and Function Compatible Family | 4 ch, MSOP-10 |
| Resolution | 8 bits |
| Input Channels | 4 |
| Sample Rate Range (sps) | 200k to 500k |
| Interface Type | SPI / QSPI / Microwire |
| Differential Input | No |
| Power Down, typ. at 3.6V | 0.12 uW |
| Operating Power, typ at 3.6V, max ksps | 0.007 mW |
| Operating Power, 3.6V, 1ksps, max. PwrDn | 2.2 mW |
| PowerWise Rating 1 | 4.67 pJ/conv |
| INL (LSB) | +0.12; -0.06 |
| DNL (LSB) | +/-0.09 |
| ENOB | 7.9 bits |
| SINAD | 49.5 dB |
| SNR | 49.5 dB |
| Max KSample Rate | 500 ksps |
| Min Supply Voltage | 2.7 Volt |
| Max Supply Voltage | 5.25 Volt |
| Reference Source | Supply |
| Temperature Min | -40 deg C |
| Temperature Max | 85 deg C |
| Power Down | Yes |
| Input Sample/Hold | Yes |
| Special Features | Undefined |
| Data Converter Type | ADC |
| Max Sample Rate | 0.5 MSPS |
| PowerWise | Yes |
| View Using Catalog | |
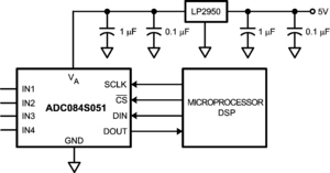
The ADC084S051 is a low-power, four-channel CMOS 8-bit analog-to-digital converter with a high-speed serial interface. Unlike the conventional practice of specifying performance at a single sample rate only, the ADC084S051 is fully specified over a sample rate range of 500 ksps to 1 Msps. The converter is based on a successive-approximation register architecture with an internal track-and-hold circuit. It can be configured to accept up to four input signals at inputs IN1 through IN4.
The output serial data is straight binary, and is compatible with several standards, such as SPI™, QSPI™, MICROWIRE, and many common DSP serial interfaces.
The ADC084S051 operates with a single supply, that can range from +2.7V to +5.25V. Normal power consumption using a +3V or +5V supply is 2.2 mW and 7.1 mW, respectively. The power-down feature reduces the power consumption to just 0.12 µW using a +3V supply, or 0.35 µW using a +5V supply.
The ADC084S051 is packaged in a 10-lead MSOP package. Operation over the industrial temperature range of −40°C to +85°C is guaranteed.
Reliability Metrics
| Part Number | Process | EFR Reject | EFR Sample Size | PPM | LTA Rejects | LTA Device Hours | FITS | MTTF (Hours) |
| ADC084S051CIMM | CMOS7 | 0 | 16561 | 0 | 0 | 954000 | 4 | 270700104 |
| ADC084S051CIMMX | CMOS7 | 0 | 16561 | 0 | 0 | 954000 | 4 | 270700104 |
Design Tools
| Title | Size in Kbytes | Date | |||
| Evaluation Systems | 43 Kbytes | 29-May-2008 | View | ||
| To evaluate the ADC084S051, order the ADC084S101EVAL evaluation board | View |
If you have trouble printing or viewing PDF file(s), see Printing Problems. |