PinoutSpecificationsResolution12 bitsChannels2 ChannelsSNR71.2 dBSFDR90 dBENOB11.5 bitsMax Sample Rate80 MSPSMin Sample Rate20 MSPSPower Dissipation0.845 WattPowerWise Rating 11.82 pJ/convINL (+/-)0.5 LSBSINAD71.1 dBDNL (+/-)0.25 LSBTHD dB-88 dBMin Supply Voltage2.7 VoltMax Supply Voltage3.6 VoltN...
ADC12DS080: PinoutSpecificationsResolution12 bitsChannels2 ChannelsSNR71.2 dBSFDR90 dBENOB11.5 bitsMax Sample Rate80 MSPSMin Sample Rate20 MSPSPower Dissipation0.845 WattPowerWise Rating 11.82 pJ/convINL (+/-)0...
SeekIC Buyer Protection PLUS - newly updated for 2013!
268 Transactions
All payment methods are secure and covered by SeekIC Buyer Protection PLUS.

| Resolution | 12 bits |
| Channels | 2 Channels |
| SNR | 71.2 dB |
| SFDR | 90 dB |
| ENOB | 11.5 bits |
| Max Sample Rate | 80 MSPS |
| Min Sample Rate | 20 MSPS |
| Power Dissipation | 0.845 Watt |
| PowerWise Rating 1 | 1.82 pJ/conv |
| INL (+/-) | 0.5 LSB |
| SINAD | 71.1 dB |
| DNL (+/-) | 0.25 LSB |
| THD dB | -88 dB |
| Min Supply Voltage | 2.7 Volt |
| Max Supply Voltage | 3.6 Volt |
| Nominal Vin | 2 Vpp |
| Temperature Min | -40 deg C |
| Temperature Max | 85 deg C |
| Data Converter Type | ADC |
| PowerWise | Yes |
| View Using Catalog | |
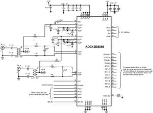
The ADC12DS080 is a high-performance CMOS analog-to-digital converter capable of converting two analog input signals into 12-bit digital words at rates up to 80 Mega Samples Per Second (MSPS). The digital outputs are serialized and provided on differential LVDS signal pairs. This converter uses a differential, pipelined architecture with digital error correction and an on-chip sample-and-hold circuit to minimize power consumption and the external component count, while providing excellent dynamic performance. The ADC12DS080 may be operated from a single +3.0V or 3.3V power supply. A power-down feature reduces the power consumption to very low levels while still allowing fast wake-up time to full operation. The differential inputs accept a 2V full scale differential input swing. A stable 1.2V internal voltage reference is provided, or the ADC12DS080 can be operated with an external 1.2V reference. The selectable duty cycle stabilizer maintains performance over a wide range of clock duty cycles. A serial interface allows access to the internal registers for full control of the ADC12DS080's functionality. The ADC12DS080 is available in a 60-lead LLP package and operates over the industrial temperature range of −40°C to +85°C
Design Tools
| Title | Size in Kbytes | Date | |||
| Evaluation Systems | 32 Kbytes | 2-Jun-2008 | View |
If you have trouble printing or viewing PDF file(s), see Printing Problems. |