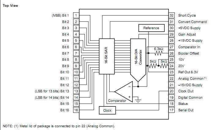
Features: 16-BIT RESOLUTION ±0.003% MAXIMUM NONLINEARITY COMPACT DESIGN: 32-pin Hermetic Ceramic PackageCONVERSION SPEED: 50µs maxPinoutSpecifications+VCC to Common ....................................................................0 to +16.5VVCC to Common .....................................
ADC71: Features: 16-BIT RESOLUTION ±0.003% MAXIMUM NONLINEARITY COMPACT DESIGN: 32-pin Hermetic Ceramic PackageCONVERSION SPEED: 50µs maxPinoutSpecifications+VCC to Common ..............................
SeekIC Buyer Protection PLUS - newly updated for 2013!
268 Transactions
All payment methods are secure and covered by SeekIC Buyer Protection PLUS.
