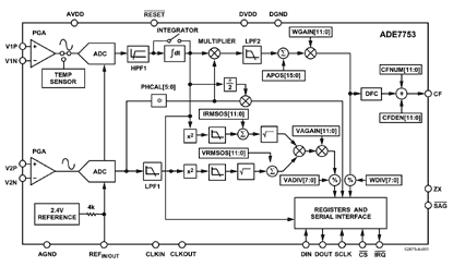
PinoutSpecifications Meter Type Single Phase Supply Current 7mA Package 20-Lead SSOP Active Energy Accuracy 0.1% over...
ADE7753: PinoutSpecifications Meter Type Single Phase Supply Current 7mA Packag...
SeekIC Buyer Protection PLUS - newly updated for 2013!
268 Transactions
All payment methods are secure and covered by SeekIC Buyer Protection PLUS.

| Meter Type | Single Phase |
| Supply Current | 7mA |
| Package | 20-Lead SSOP |
| Active Energy Accuracy | 0.1% over 1000:1 @25°C |
| Active Energy Bandwidth | 14kHz |
| VAR Energy Accuracy | 0.5% over 1000:1 @ 25°C |
| IRMS Accuracy | 0.5% over 200:1 |
| VRMS Accuracy | 0.5% over 20:1 |
| Analog input range | +/-32mV to +/- 500mV peak |
| Power Consumption | 25mW Typical |
| Reference Tempco | 30ppm/°C Typical |