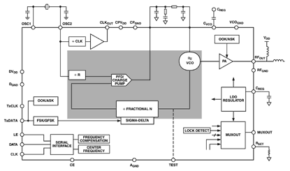
Features: Single Chip Low Power UHF Transmitter902 MHz928 MHz Frequency BandOn-Chip VCO and Fractional-N PLL2.3 V3.6 V Supply VoltageProgrammable Output Power 16 dBm to +12 dBm, 0.3 dB StepsData Rates up to 76.8 kbpsLow Current Consumption 28 mA at 8 dBm Output24-Lead TSSOP PackageApplicationLow C...
ADF7010: Features: Single Chip Low Power UHF Transmitter902 MHz928 MHz Frequency BandOn-Chip VCO and Fractional-N PLL2.3 V3.6 V Supply VoltageProgrammable Output Power 16 dBm to +12 dBm, 0.3 dB StepsData Rat...
SeekIC Buyer Protection PLUS - newly updated for 2013!
268 Transactions
All payment methods are secure and covered by SeekIC Buyer Protection PLUS.


| Modulation Mode | FSK/ASK/GFSK |
| Output Frequency Range | 902-928 MHz |
| Maximum Data Rate (kbps) | 76kbps |
| Programmable Output Power | -20dBm to +10dBm |
| +10dBm Pwr Consumption | 30mA |
| Package | 24-Lead Tssop |