Features: Allows Safe Board Insertion and Removal from a Live Backplane Controls Supply Voltages from 0.6 V to 16.5V Supply Voltage Range from 2.7V to 16.5V True Soft Start controls inrush current profile Adjustable Analog Current Limit with Circuit Breaker Fast Response Limits Peak Fault Current...
ADM1170: Features: Allows Safe Board Insertion and Removal from a Live Backplane Controls Supply Voltages from 0.6 V to 16.5V Supply Voltage Range from 2.7V to 16.5V True Soft Start controls inrush current ...
SeekIC Buyer Protection PLUS - newly updated for 2013!
268 Transactions
All payment methods are secure and covered by SeekIC Buyer Protection PLUS.


| Parameter | Rating |
| VCC Pin | -0.3V to 20V |
| SENSE Pins | -0.3V to 20V |
| SENSE+ SENSE- | ± 5V |
| TIMER Pin | -0.3V to (VCC + 0.3V) |
| ON Pin | -0.3V to 20V |
| SS Pin | -0.3V to (VCC + 0.3V) |
| GATE Pin | -0.3V to (VCC + 11V) |
| Power Dissipation | TBD |
| Storage Temperature | 65°C to +125°C |
| Operating Temperature Range | 40°C to +105°C |
| Lead Temperature Range( 10 sec) |
300°C |
| Junction Temperature | 150°C |
| Package | 8 ld TSOT |
| UV & OV Detection | ON pin (UV) |
| Operating Range(V) | 1.6 to 16.5 |
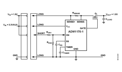
The ADM1170 is a Hot Swap controller that allows a board to be safely inserted and removed from a live backplane. This is achieved using a pass FET with a current control loop that monitors the input current using a sense resistor. An internal charge pump is used to enhance the gate of the external high side N-channel FET. When an over current condition is detected the gate voltage of the FET is reduced to limit the current flowing through the sense resistor.
The ADM1170 operates with a supply voltage ranging from 2.7V to 16.5V. Using separate SENSE pins from Vcc the ADM1170 allows for the hotswap of supplies ranging down to 0.6V. During an overcurrent condition the timer cap determines the amount of time the FET will remain in this condition. The ON (ON/CLR) pin is the enable input for the device and also acts as a latched fault reset for the ADM1170-2 model. The SS pin is used to control the inrush current profile by ramping up the current sense limit at a rate set by the SS capacitor.
This device is available in two options: the ADM1170-1 will automatic retry for over-current fault and the ADM1170-2 will latch-off for an over-current fault.
The ADM1170 is packaged in an 8-lead TSOT package.