Features: `Low power operation`5 V operation:`1.0 mA per channel max @ 02 Mbps`3.5 mA per channel max @ 10 Mbps`31 mA per channel max @ 90 Mbps`3 V operation:`0.7 mA per channel max @ 02 Mbps`2.1 mA per channel max @ 10 Mbps`20 mA per channel max @ 90 Mbps`Bidirectional communication`3 V/5 V level...
ADuM2401: Features: `Low power operation`5 V operation:`1.0 mA per channel max @ 02 Mbps`3.5 mA per channel max @ 10 Mbps`31 mA per channel max @ 90 Mbps`3 V operation:`0.7 mA per channel max @ 02 Mbps`2.1 mA...
SeekIC Buyer Protection PLUS - newly updated for 2013!
268 Transactions
All payment methods are secure and covered by SeekIC Buyer Protection PLUS.

| Parameter | Symbol | Min | Max | Unit |
| Storage Temperature | TST | −55 | 150 | °C |
| Ambient Operating Temperature | TA | −40 | 125 | °C |
| Supply Voltages1 | VDD1, VDD2 | −0.5 | 6.5 | V |
| Input Voltage,1, 2 | VIA, VIB, VIC, VID, VE1,VE2 | −0.5 | VDDI + 0.5 | V |
| Output Voltage1, 2 | VOA, VOB, VOC, VOD | −0.5 | VDDO + 0.5 | V |
| Average Output Current, Per Pin3 Side 1 |
IO1 | −18 | 18 | mA |
| Side 2 | IO2 | 22 | 22 | mA |
| Common-Mode Transients4 | −100 | +100 | kV/s |
The ADuM240x are four-channel digital isolators based on Analog Devices' iCoupler® technology. Combining high speed CMOS and monolithic air core transformer technology, these isolation components provide outstanding performance characteristics superior to alternatives such as optocoupler devices. In comparison to the 2.5KV ADuM140x product family, ADuM240x models have increased insulation thickness to achieve the higher 5.0KV isolation rating.
By avoiding the use of LEDs and photodiodes, iCoupler devices remove the design difficulties commonly associated with optocouplers. The typical optocoupler concerns regarding uncertain current transfer ratios, nonlinear transfer functions, and temperature and lifetime effects are eliminated with the simple, iCoupler digital interfaces and stable performance characteristics. The need for external drivers and other discretes is eliminated with these iCoupler products. Furthermore, iCoupler ADuM240x devices run at one-tenth to one-sixth the power consumption of optocouplers at comparable signal data rates.
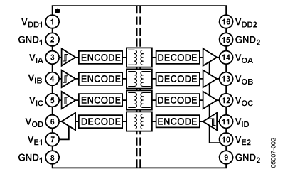
The ADuM240x isolators provide four independent isolation channels in a variety of channel configurations and data rates (see Ordering Guide). All ADuM240x models operate with the supply voltage of either side ranging from 2.7 V to 5.5 V, providing compatibility with lower voltage systems as well as enabling a voltage translation functionality across the isolation barrier. In addition, the ADuM240x provides low pulse width distortion (<2 ns for CRWZ grade), and tight channel-to-channel matching (<2 ns for CRWZ grade). Unlike other optocoupler alternatives, the ADuM240x isolators have a patented refresh feature that ensures dc correctness in the absence of input logic transitions and during power-up/power-down conditions.