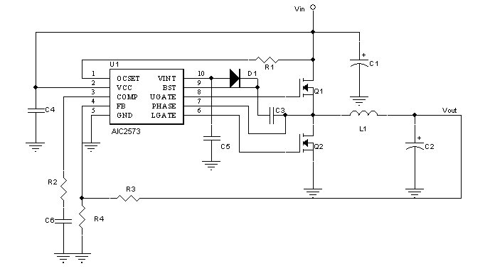
Features: High Efficiency: Up to 93% Single-Powered N-channel MOSFETs Synchro-nous Driver Wide Input Voltage Operation Range 4.5V to 25V Accurate Internal temperature compensated 0.8V Bandgap Reference Voltage with 1% precision. Fast Transient Response - Duty cycle 0% to 95 % PWM Opera...
AIC2573: Features: High Efficiency: Up to 93% Single-Powered N-channel MOSFETs Synchro-nous Driver Wide Input Voltage Operation Range 4.5V to 25V Accurate Internal temperature compensated 0.8V Bandgap ...
SeekIC Buyer Protection PLUS - newly updated for 2013!
268 Transactions
All payment methods are secure and covered by SeekIC Buyer Protection PLUS.
