Features: `SWITCHABLE OUTPUT ±10V OR 4-20mA`DRIVES 1000 || 1F AT 20mA`VOLTAGE AND CURRENT SENSE`GROUND NOISE SUPPRESSION`ERROR DETECTION FLAG`OUTPUT DISABLE`ACCURACY: 0.05% max`WIDE SUPPLY RANGE: ±11V TO +24/15VApplication· PROGRAMMABLE CONTROLLERS· STANDARDIZED OUTPUTS FOR TERMINATION PANELS· IND...
ALD1000: Features: `SWITCHABLE OUTPUT ±10V OR 4-20mA`DRIVES 1000 || 1F AT 20mA`VOLTAGE AND CURRENT SENSE`GROUND NOISE SUPPRESSION`ERROR DETECTION FLAG`OUTPUT DISABLE`ACCURACY: 0.05% max`WIDE SUPPLY RANGE: ±1...
SeekIC Buyer Protection PLUS - newly updated for 2013!
268 Transactions
All payment methods are secure and covered by SeekIC Buyer Protection PLUS.

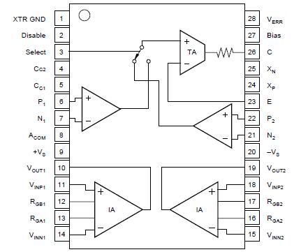
ALD1000 is a monolithic programmable voltage-tocurrent or voltage-to-voltage analog line driver circuit.It can convert a ±10V input into either an output voltage or current with remote sensing. ALD1000 provides drive for external transistors to boost output current to greater than ±25mA levels.Current and voltage sensing can be performed simultaneously.
Current sensing is achieved through a single external sense resistor. Voltage sensing is performed directly across the load. The logic inputs of ALD1000 provide for both output disable and switching between constant current or constant voltage output functions. An open collector output provides an error flag for open circuit loads. The output disable function allows full control of the output even during power-on and power-off sequencing. The ALD1000 instrumentation amplifiers are designed to insure that load noise is not circulated within the control loop.