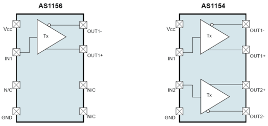
PinoutDescriptionThe AS1156/AS1154 is a Single/Dual Flow-Through LVDS (Low-Voltage Differential Signaling) Line Driver which accepts and converts LVTTL/LVCMOS input lev-els into LVDS output signals. The device is perfect for low-power low-noise applications requiring high signal-ing rates and redu...
AS1154: PinoutDescriptionThe AS1156/AS1154 is a Single/Dual Flow-Through LVDS (Low-Voltage Differential Signaling) Line Driver which accepts and converts LVTTL/LVCMOS input lev-els into LVDS output signals....
SeekIC Buyer Protection PLUS - newly updated for 2013!
268 Transactions
All payment methods are secure and covered by SeekIC Buyer Protection PLUS.

The AS1156/AS1154 is a Single/Dual Flow-Through LVDS (Low-Voltage Differential Signaling) Line Driver which accepts and converts LVTTL/LVCMOS input lev-els into LVDS output signals. The device is perfect for low-power low-noise applications requiring high signal-ing rates and reduced EMI emissions.
AS1154 is guaranteed to transmit data at speeds up to 800Mbps (400MHz) over controlled impedance media of approximately 100W. Supported transmission media are PCB traces, backplanes, and cables.
The AS1156 is a single LVDS transmitter, and the AS1154 is a dual LVDS transmitter.
Outputs of AS1154 conform to the ANSI TIA/EIA-644 LVDS stan-dards. Flow-through pinout simplifies PC board layout and reduces crosstalk by separating the LVTTL/LVC-MOS inputs and LVDS outputs.
The AS1156/AS1154 operates from a single +3.3V sup-ply and is specified for operation from -40 to +85°C.