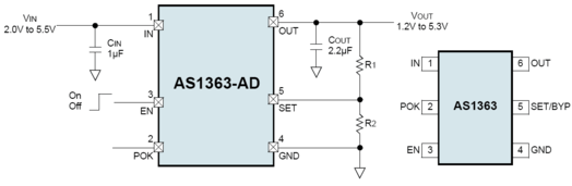
PinoutDescriptionThe AS1363 is a low-dropout linear regulator that operates from a +2.0 to +5.5V supply and delivers a guaranteed 500mA load current with low 150mV dropout. AS1363 is available in two versions. One version has a high-accuracy output with a preset voltage (1.5, 1.8, 3.0, 3.3, or ...
AS1363: PinoutDescriptionThe AS1363 is a low-dropout linear regulator that operates from a +2.0 to +5.5V supply and delivers a guaranteed 500mA load current with low 150mV dropout. AS1363 is available in...
SeekIC Buyer Protection PLUS - newly updated for 2013!
268 Transactions
All payment methods are secure and covered by SeekIC Buyer Protection PLUS.

The AS1363 is a low-dropout linear regulator that operates from a +2.0 to +5.5V supply and delivers a guaranteed 500mA load current with low 150mV dropout.
AS1363 is available in two versions. One version has a high-accuracy output with a preset voltage (1.5, 1.8, 3.0, 3.3, or 4.5V). This voltage is internally trimmed and also offers a Bypass pin. With an capacitor connected to this Bypass pin, the PSRR and the Noise performance is improved.
|
Model |
Output Type |
BYP |
SET |
|
AS1363-BSTT-AD |
Adjustable |
NO |
YES |
|
AS1363-BSTT-_ _ |
Fixed |
YES |
NO |
At the other version the output voltage is user-adjustable (1.2V to 5.3V) and offers an SET pin for setting the output voltage.
A low supply current (65A typ.) at maximum load of AS1363 is making the device ideal for portable battery-operated equipment.
Other features of AS1363 are included such as an active-low open-drain reset output that indicates when the output is out of regulation, a low-current (30nA typ.) shutdown mode, an integrated short-circuit and a thermal shutdown protection.
The AS1363 is available in a 6-pin SOT23 package.