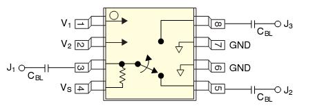
Features: High Linearity (55 dBm IP3 @ 1.9 GHz) High Isolation (28 dB @ 1.9 GHz) Complementary Control Voltages (0/+5 V) Small Low Cost MSOP-8 Plastic PackagePinoutSpecifications Characteristic Value RF Input Power 6W Max. > 900 MHz0/+8 V Control Supply Voltage +12 V Control ...
AS158-59: Features: High Linearity (55 dBm IP3 @ 1.9 GHz) High Isolation (28 dB @ 1.9 GHz) Complementary Control Voltages (0/+5 V) Small Low Cost MSOP-8 Plastic PackagePinoutSpecifications Characterist...
SeekIC Buyer Protection PLUS - newly updated for 2013!
268 Transactions
All payment methods are secure and covered by SeekIC Buyer Protection PLUS.

| Characteristic | Value |
| RF Input Power | 6W Max. > 900 MHz 0/+8 V Control |
| Supply Voltage | +12 V |
| Control Voltage | -0.2 V, +8 V |
| Operating Temperature | -40°C to +85°C |
| Storage Temperature | -65°C to +150°C |
| JC | 85°C/W |