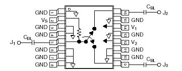
Features: Positive Voltage ControlHigh Isolation (50 dB @ 1.9 GHz)Low DC Power ConsumptionBase Station Synthesizer SwitchPinoutSpecifications Characteristic Value RF Input Power 2 W Max. > 500 MHz0/+8 V Control Supply Voltage +8 V Control Voltage -0.2 V, +8 V Operating Temp...
AS164-80: Features: Positive Voltage ControlHigh Isolation (50 dB @ 1.9 GHz)Low DC Power ConsumptionBase Station Synthesizer SwitchPinoutSpecifications Characteristic Value RF Input Power 2 W Max. &...
SeekIC Buyer Protection PLUS - newly updated for 2013!
268 Transactions
All payment methods are secure and covered by SeekIC Buyer Protection PLUS.

| Characteristic | Value |
| RF Input Power | 2 W Max. > 500 MHz 0/+8 V Control |
| Supply Voltage | +8 V |
| Control Voltage | -0.2 V, +8 V |
| Operating Temperature | -40°C to +85°C |
| Storage Temperature | -65°C to +150°C |
| JC | 25°C/W |